
商品描述

追求小型化
可有效利用有限空间,减小控制柜及机械的体积。
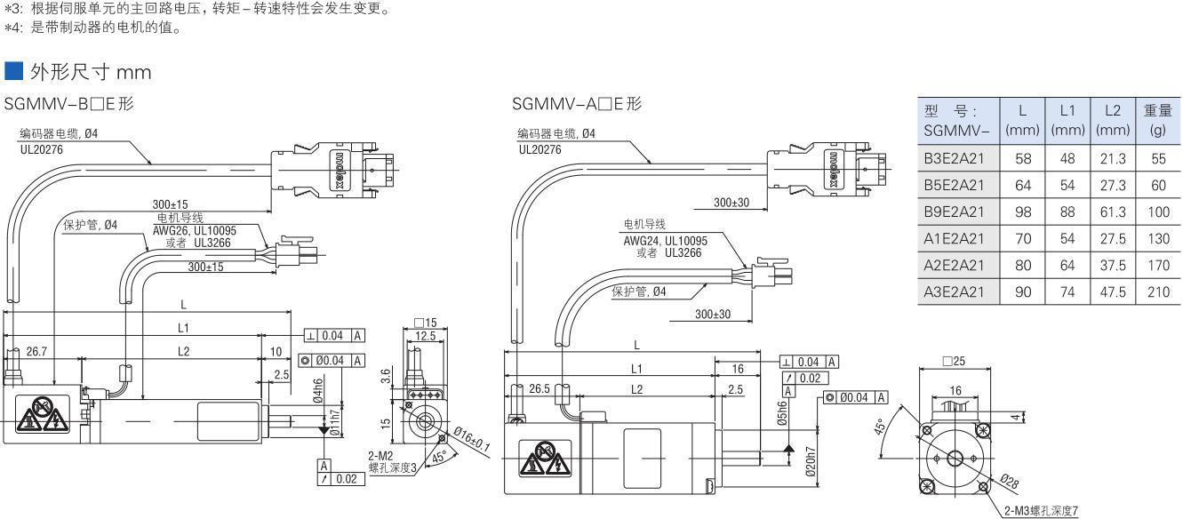
伺服单元尺寸: H116(100)mm × W30mm × D80mm
伺服单元重量: 300g
支持DC电源输入
主回路电源DC24V/DC48V共用
控制电源对应DC24V,主回路电源可对应DC24V及DC48V。
主回路电源使用DC48V时,能进一步提高电机的【转矩-转速特性】,因此适合用于gao速·gao频度用途。(特性提高的程度根据电机各不相同。)
可蓄电池供电
因为是可以用蓄电池供电的小型·gao性能伺服,用于无尘室机器人以及AGV(无人搬运车)等时,可以提高机械性能。
控制电源与主回路电源系统分离
发生报警时,可以仅切断主回路侧电源进行故障检修。
运用zui新技术追求gao性能以及便捷操作性
沿袭∑-Ⅴ的便捷的操作性
拥有与∑-Ⅴ系列相同的速度频率响应性(1.6kHz)。
运用高级调谐功能,可在短时间内实现使设备达到性能的伺服调整。
产品还配备免调整功能,此功能zui适用于:缩短定位时间的模型追踪控制功能、抑制设备振动的抑振功能、抗负载变动强的摩擦补偿功能以及设备调试作业时间或负载变动较大用途。
实现gao精度定位、高速化
搭载高分辨率17位值串行编码器(精度是以往产品∑-mini的16倍以上)
通过伺服单元的参数设定,可用作增量型编码器
实现转速6000min-1,有助于设备的高效化








 
        

 
                             
                             
                             
                             
                          
 
  
             
             
             通过
 通过 
 
  
 
 
 
         国内:(021) 31012561 国外:18980504078
国内:(021) 31012561 国外:18980504078